найти
Архитектурное освещение
Акцентное освещение
Заливающее освещение
Контурное освещение
Грунтовое освещение и прожекторы
Опции и аксессуары
Уличное освещение
Дорожное и дворовое освещение
Парковое освещение
Комплексные решения
Ландшафтное освещение
Настенное освещение
Опоры и закладные
Интерьерное освещение
Дизайнерские светильники
Светильники из коллекции DESIGN — идеальный баланс и коллаборация с разными стилями интерьера
Простые формы
Серии светильников для освещения больших площадей коммерческого и офисного пространства
XXL
Эксклюзивные световые инсталляции выступающие арт объектом интерьера
Промышленное освещение
ЖКХ светильники
Прожекторы
Складские светильники
Офисные светильники
Торговые светильники
Взрывозащищенные светильники
Низковольтные светильники
Аварийные светильники
Опции и аксессуары
Малые архитектурные формы
Dog Box
Автомобильные ограничители
Велопарковки
Зонирующие перегородки
Качели
Комплекты уличной мебели
Контейнерные площадки
Корзины для кондиционеров
Кресла
Лавочки
Парклеты
Парковочные столбики
Перголы
Приставные столики
Приствольные решетки
Скамейки
Столы
Урны
Шезлонги
Кашпо и вазоны
Кашпо интерьерные
Вазоны
Алюминиевые профили
Профили для потолков
Светодиодные профили
Алюминиевые трубы
Квадратные алюминиевые трубы
Круглые алюминиевые трубы
Прямоугольные алюминиевые трубы
отправить заявку на индивидуальное изготовление
8 800 550-76-96
задать вопрос
вход
отложенные
сравнение товаров
Информация
Реквизиты
Портфолио
Партнерам
О Производстве
Услуги
Каталоги PDF
КАТАЛОГ
ПОРТФОЛИО
ПАРТНЕРАМ
О ПРОИЗВОДСТВЕ
8 800 550-76-96
Главная
/
Каталог
/
Алюминиевые профили
/
Светодиодные профили
/
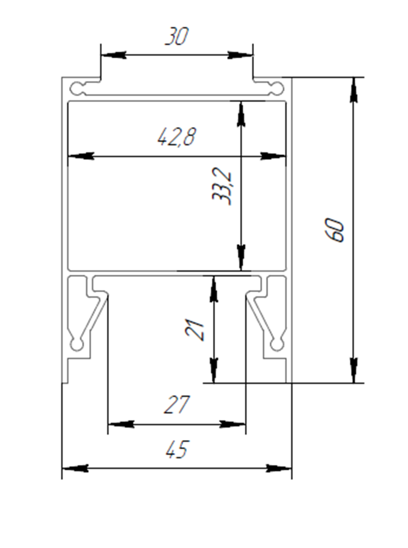
Алюминиевый светотехнический профиль SVETHOLL 60х45
Алюминиевый светотехнический профиль SVETHOLL 60х45
1 724 ₽
Количество
шт
Купить
Подписаться
Нет в наличии
заказать
получить предложение
Описание
Характеристики
Доступные цвета
Закажите Алюминиевый светотехнический профиль SVETHOLL 60х45 от производителя.
АРТИКУЛ
Наименование
Сечение
Вес*
Ширина площадки
Назначение
Ед. измерения
Доп. Услуги
AL-ST-060045
Алюминиевый светотехнический профиль
60х45
0,841
27мм
Накладной
1 метр
Рез под угол 45° - 50 руб.
Рез под угол 60° - 50 руб.
Рез под угол 90° - 30 руб.
Покраска по RAL
Бренд
SVETHOLL
МАТОВЫЕ
СВ-01
СВ-03
СВ-04
СВ-06
СВ-07
СВ-10
СВ-22
СВ-23
СВ-24
СВ-25
СВ-26
СВ-27
СВ-28
СВ-29
СВ-30
СВ-31
СВ-32
СВ-33
СВ-51
СВ-52
СВ-53
СВ-73
СВ-74
СВ-75
СВ-76
СВ-77
СВ-78
СВ-79
СВ-80
СВ-81
СВ-83
СВ-84
СВ-85
СВ-86
ГЛЯНЦЕВЫЕ
СВ-02
СВ-05
СВ-08
СВ-09
СВ-11
СВ-12
СВ-13
СВ-14
СВ-17
СВ-21
КРОКОДИЛОВАЯ КОЖА
СВ-18
СВ-19
СВ-20
ПОТАЛЬ
СВ-48
СВ-49
СВ-50
КОРОЕД
СВ-34
СВ-35
СВ-36
СВ-37
СВ-38
СВ-39
СВ-40
ИМИТАЦИЯ ДЕРЕВА
СВ-15 2
СВ-15
СВ-16
СВ-55
ГРЕБЕНЬ
СВ-41
СВ-42
ИМИТАЦИЯ БЕТОНА
СВ-72
ПАТИНА
СВ-43
СВ-44
СВ-54
ПЕРЕПЕЛИНОЕ ЯЙЦО
СВ-45
СВ-46
СВ-47
МОЛОТКОВЫЕ
СВ-56
СВ-57
СВ-58
СВ-59
СВ-60
СВ-61
СВ-62
СВ-63
СВ-64
СВ-65
СВ-66
СВ-67
СВ-68
СВ-69
СВ-70
СВ-71
Заказать в нужном цвете
ПРОЕКТЫ
+
Клиника восстановительной медицины
Офисы и Бизнес центры
+
Сквер дружбы
+
Проспект Путина
+
ЖК УНО
+
Парк
+
Аэропорт им. А.Г. Николаева
+
ЖК Символ
+
ЖК Квартал Стрижи
+
ДК Химиков
+
ЖК Яратам
+
ЖК Движение
+
ЖК Репинские пруды
+
ЖК Заповедный
+
ЖК Зенлайф
+
ЖК Новобережье
+
ЖК Хаят
+
ЖК Острова
+
ЖК Атмосфера
+
ЖК Аристократ
+
ЖК Семейный
ЭЛЕКТРОННЫЕ КАТАЛОГИ
все каталоги
скачать
скачать
скачать
скачать
скачать
скачать
скачать
скачать
скачать
скачать
скачать
С этим товаром рекомендуем
КАТАЛОГ ПРОДУКЦИИ
Архитектурное освещение
Акцентное освещение
Заливающее освещение
Контурное освещение
Грунтовое освещение и прожекторы
Опции и аксессуары
Уличное освещение
Дорожное и дворовое освещение
Парковое освещение
Комплексные решения
Ландшафтное освещение
Настенное освещение
Опоры и закладные
Интерьерное освещение
Дизайнерские светильники
Светильники из коллекции DESIGN — идеальный баланс и коллаборация с разными стилями интерьера
Простые формы
Серии светильников для освещения больших площадей коммерческого и офисного пространства
XXL
Эксклюзивные световые инсталляции выступающие арт объектом интерьера
Промышленное освещение
ЖКХ светильники
Прожекторы
Складские светильники
Офисные светильники
Торговые светильники
Взрывозащищенные светильники
Низковольтные светильники
Аварийные светильники
Опции и аксессуары
Малые архитектурные формы
Dog Box
Автомобильные ограничители
Велопарковки
Зонирующие перегородки
Качели
Комплекты уличной мебели
Контейнерные площадки
Корзины для кондиционеров
Кресла
Лавочки
Парклеты
Парковочные столбики
Перголы
Приставные столики
Приствольные решетки
Скамейки
Столы
Урны
Шезлонги
Кашпо и вазоны
Кашпо интерьерные
Вазоны
Алюминиевые профили
Профили для потолков
Светодиодные профили
Алюминиевые трубы
Квадратные алюминиевые трубы
Круглые алюминиевые трубы
Прямоугольные алюминиевые трубы
Информация
Реквизиты
Портфолио
Партнерам
О Производстве
Услуги
Каталоги PDF
Контакты
Отдел продаж:
8 800 550-76-96
info@svetholl.ru
г.Казань, Автосервисная 10
HR отдел:
8 927 424-56-19
Маркетинг:
8 (927) 489 75 70
отправить заявку на индивидуальное изготовление
2026 © Светхолл
Публичная оферта
Пользовательское соглашение
Политика конфиденциальности
Часто ищут